Page 1 sur 1
fusible
Posté : 15 sept. 2023, 10:09
par bernard47
Qui pourrait me donner la puissance des fusibles , et leur emplacement sur une td de 1953.
Merci
Re: fusible
Posté : 15 sept. 2023, 10:38
par saby
Qui
35 ampères les deux
Album MG
Re: fusible
Posté : 15 sept. 2023, 14:02
par bernard47
Merci, mais mon porte fusible en compte quatre .
Re: fusible
Posté : 15 sept. 2023, 15:15
par Jidé de Grasse
c'est qu'il a été bricolé (et c'est plutôt une bonne nouvelle en terme de protection électrique)
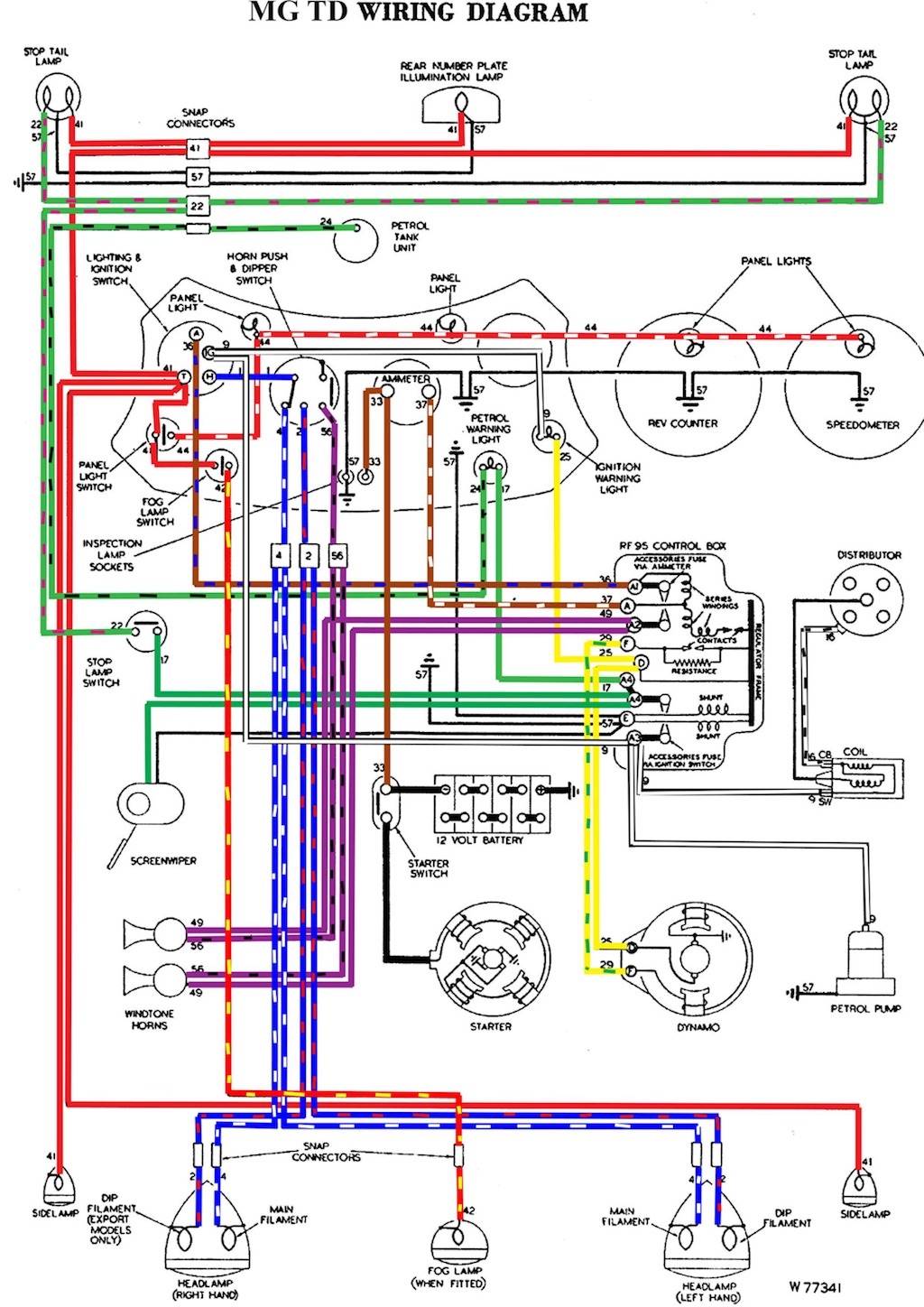
Le schéma de la TD, il n'y a bien que 2 fusibles :

- mg-td-wiring-diagram-small.jpg (200.85 Kio) Vu 850 fois
Re: fusible
Posté : 15 sept. 2023, 15:21
par Jidé de Grasse
la meilleure solution pour calibrer tes fusibles, c'est de mesurer le courant qui circule quand tous les consommateurs sont allumés et de placer un fusible de valeur juste supérieure sur ce circuit.
Il te faut une pince ampèremétrique en courant continu dans ce genre :
https://www.manomano.fr/catalogue/p/rub ... r-77243300
Re: fusible
Posté : 16 sept. 2023, 15:21
par Orque
Sur la photo de saby, le porte-fusible se situe sur la droite en haut.
Alors, oui il y a quatre fusibles mais deux sont de rechange, ceux qui pointent en haut ! (je pense que celui de rechange en haut n'y est plus).
Un de 40 amp pour les klaxons, fils marrons plus épais (ici en haut).
Le deuxième dessous de 20 amp qui protège le reste.
Je vous conseil d'installer si ce n'est pas déjà fait un coupe-circuit sur le fil qui est relié à la caisse (normalement juste à gauche de la batterie).
Et vous le placer sous le tableau de bord avec une patte sur la fixation de la colonne de direction.
C'est au plus court et facile d'accès.

- IMG_2935.JPG (103.46 Kio) Vu 824 fois
Re: fusible
Posté : 17 sept. 2023, 16:59
par bernard47
J'ai bien un boitier a quatre fusibles , et les quatre fusibles sont alimentes .Mais il est vrai que l'installation électrique a été refaite a neuf.
Je me suis base sur la grosseur des fil , et leur nombre .
Re: fusible
Posté : 17 sept. 2023, 18:42
par Orque
Vous n'avez donc pas le porte-fusible d'origine.
Vous n'avez pas le schéma puisque l'installation est neuve ?
Re: fusible
Posté : 17 sept. 2023, 19:41
par bernard47
Non je n'ai pas de schéma mai en tant qu'ancien électricien je me dépatouille .J'ai du démonter entièrement le tableau de bord pour le refaire
entièrement y compris le bois ,et je n'ai pas eu de soucis .
Bernard.
Re: fusible
Posté : 17 sept. 2023, 19:45
par Orque
Très bien, bon amusement !
Re: fusible
Posté : 19 sept. 2023, 17:38
par jac
Bonjour ,
voici le schéma électrique de travail avec lequel je fonctionne

- page1.jpg (379.22 Kio) Vu 706 fois
y compris les deux boites de fusibles que j'ai ajoutés
Jac